Chapter 32: AC Circuits
Q. 14
a. Evaluate in figure at emf frequencies
b. Graph versus frequency. Draw a smooth curve through your five points.

Q. 15
A high-pass RC filter is connected to an AC source with a peak voltage of . The peak capacitor voltage is . What is the resistor voltage?
Q. 16
A high-pass filter with a crossover frequency of uses a resistor. What is the value of the capacitor?
Q. 17
A low-pass filter with a crossover frequency of uses a resistor. What is the value of the capacitor?
Q. 18
A low-pass filter consists of a capacitor in series with a resistor. The circuit is driven by an source with a peak voltage of .
a. What is the crossover frequency ?
b. What is when and ?
Q. 19
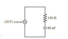
What areand if the emf frequency in FIGURE is ?

Q. 2
A resistor is connected across an oscillating emf. The peak current through the resistor is What is the peak current if:
a. The resistance is doubled?
b. The peak emf is doubled?
c. The frequency is doubled?
Q. 2
The emf phasor in FIGURE EX32.2 is shown at .
a. What is the angular frequency ? Assume this is the first rotation.
b. What is the instantaneous value of the emf?

Q. 20
A high-pass filter consists of a capacitor in series with a resistor. The circuit is driven by an source with a peak voltage of .
a. What is the crossover frequency ?
b. What is when , and ?
Q. 21
II An electric circuit, whether it's a simple lightbulb or a complex amplifier, has two input terminals that are connected to the two output terminals of the voltage source. The impedance between the two input terminals (often a function of frequency) is the circuit's input impedance. Most circuits are designed to have a large input impedance. To see why, suppose you need to amplify the output of a high-pass filter that is constructed with a resistor and a capacitor. The amplifier you've chosen has a purely resistive input impedance. For a signal, what is the ratio of the filter's peak voltage output with (load) and without (no load) the amplifier connected if the amplifier's input impedance is (a) and (b) ?