Chapter 32: AC Circuits
Q. 61
A television channel is assigned the frequency range from to . A series RLC tuning circuit in a TV receiver resonates in the middle of this frequency range. The circuit uses a capacitor.
a. What is the value of the inductor?
b. In order to function properly, the current throughout the frequency range must be at least of the current at the resonance frequency. What is the minimum possible value of the circuit’s resistance?
Q. 62
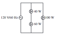
Lightbulbs labeled and are connected to apower line as shown in the figure .What is the rate at which energy is dissipated in each bulb?

Q. 63
A generator consists of a by rectangular loop with turns of wire spinning at z in a uniform magnetic field. The generator output is connected to a series RC circuit consisting of a resistor and a capacitor. What is the average power delivered to the circuit?
Q. 64
Commercial electricity is generated and transmitted as three-phase electricity. Instead of a single emf, three separate wires carry currents for the emfs over three parallel wires, each of which supplies one-third of the power. This is why the long-distance transmission lines you see in the countryside have three wires. Suppose the transmission lines into a city supply a total of of electric power, a realistic value.
a. What would be the current in each wire if the transmission voltage were ?
b. In fact, transformers are used to step the transmission-line voltage up to . What is the current in each wire?
c. Big transformers are expensive. Why does the electric company use step-up transformers?
Q. 65
You’re the operator of a , electrical substation. When you get to work one day, you see that the station is delivering of power with a power factor of.
a. What is the rms current leaving the station?
b. How much series capacitance should you add to bring the power factor up to ?
c. How much power will the station then be delivering?
Q. 66
Commercial electricity is generated and transmitted as three-phase electricity. Instead of a single emf , three separate wires carry currents for the emfs . This is why the long-distance transmission lines you see in the countryside have three parallel wires, as do many distribution lines within a city.
a. Draw a phasor diagram showing phasors for all three phases of a three-phase emf.
b. Show that the sum of the three phases is zero, producing what is referred to as neutral. In single-phase electricity, provided by the familiar electric outlets in your home, one side of the outlet is neutral, as established at a nearby electrical substation. The other, called the hot side, is one of the three phases. (The round opening is connected to ground.)
c. Show that the potential difference between any two of the phases has the rms value where
is the familiar single-phase rms voltage. Evaluate this potential difference for
. Some high-power home appliances, especially electric clothes dryers and hot-water heaters, are designed to operate between two of the phases rather than between one phase and neutral. Heavy-duty industrial motors are designed to operate from all three phases, but full three-phase power is rare in residential or office use.
Q. 67
A motor attached to a power line draws an current. Its average energy dissipation is .
a. What is the power factor?
b. What is the rms resistor voltage?
c. What is the motor’s resistance?
d. How much series capacitance needs to be added to increase the power factor to ?
Q. 68
shows voltage and current graphs for a series RLC circuit.
a. What is the resistance ?
b. If , what is the resonance frequency in ?

Q. 69
a. Show that the average power loss in a series RLC circuit is
b. Prove that the energy dissipation is a maximum at.
Q. 7
The peak current to and from a capacitor is . What is the peak current if
a. The emf frequency is doubled?
b. The emf peak voltage is doubled (at the original frequency)