Chapter 22: Faraday's Law
Q10CP
Figure 22.52 shows four different ways to connect the copper wire. Based on the analysis we have just carried out, involving identifying whether or not there is a battery-like emf in a loop, what is the brightness of both bulbs in circuits and ?

Q10 Q
Would the inductance ‘of a solenoid be larger or smaller if the solenoid is filled with iron? Explain briefly.
Q 1CP
A magnetic field near the floor points up and is increasing. Looking down at the floor, does the non-Coulomb electric field clockwise or counter clockwise? A magnetic field near the ceiling points down and is decreasing. Looking up at the ceiling, does the non-Coulomb electric field curl clockwise or counter clockwise?
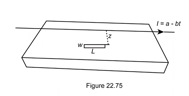
Q22 P
In Figure 22.72 a toroid has a rectangular cross section with an inner radius , an outer radius , and a height , and it is wrapped around by many densely packed turns of current-carrying wire (not shown in the diagram). The direction of the magnetic field inside the windings is shown on the diagram. There is essentially no magnetic field outside the windings. A wire is connected to a sensitive ammeter as shown.
The resistance of the wire and ammeter is .

The current in the windings of the toroid is varied so that the magnetic field inside the windings, averaged over the cross section, varies with time as shown in Figure 22.73:

Make a careful graph of the ammeter reading, including sign, as a function of time. Label your graph, and explain the numerical aspects of the graph, including signs.
Q 24P
Question: A thin rectangular coil lies flat on a low-friction table (Figure 22.75). A very long straight wire also lies flat on the table, a distance zfrom the coil. The wire carries a conventional current lto the right as shown, and this current is decreasing: , where tis the time in seconds, and aand bare positive constants. The coil has length Land width w, where w << z. It has Nturns of wire with total resistance R.

What are the initial magnitude and direction of the nonzero net force that is acting on the coil?You can neglect friction. Explain in detail. If you must make simplifying assumptions, state clearly what they are, but bear in mind that the net force is not zero.
Q2 Q
Two coils of wire are near each other, positioned on a common axis (Figure 22.57). Coil 1 is connected to a power supply whose output voltage can be adjusted by turning a knob so that the current in coil 1 can be varied, and is measured be ammeter 1.

Current in coil 2 is measured by ammeter 2. The ammeters have needles that deflect positive or negative depending on the direction of current passing through the ammeter, and ammeters read positive if conventional current flows into the + terminal. Figure 22.58 is a graph of vs. time. Draw a graph of vs. time over the same time interval. Explain your reasoning.

Q3CP
:A uniform magnetic field of 3 T points away from the perpendicular to the plane of a rectangular loop of wire 0.1 m by 0.2 m (Figure 22.14). What is the magnetic flux on this loop?
Q3 Q
Two metal rings lie side-by-side on a table (Figure 22.59). The current in the left ring runs clockwise and is increasing with time, so a current runs in the right ring. Does this current run clockwise or counterclockwise? Explain, using a diagram. (Hint: Think carefully about the direction of magnetic field in the right ring produced by the left ring, taking into consideration what sections of the left ring are closest.)

Q4CP
A wire of resistance 10 Ω and length 2.5 m is bent into a circle that is concentric with and encircles a solenoid in which the magnetic flux changes from to in 0.1 s. What is the emf in the wire? What is the non-Coulomb electric field in the wire? What is the current in the wire?
Q4 Q
A very long straight wire (essentially infinite in length) carries a current of ampere (Figure 22.60). The wire passes through the center of a circular metal ring of radius and resistance that is perpendicular to the wire. If the current in the wire increases at a rate of , what is the current in the ring? Explain carefully.
