Chapter 7: Fourier Series and Transforms
Q9P
Find the exponential Fourier transform of the given f(x)and write f(x)as a Fourier integral.

Q9P
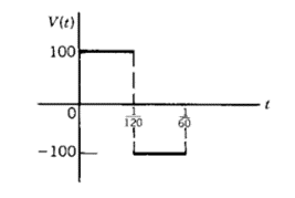
In Problems 4 to 10, the sketches show several practical examples of electrical signals (voltages or currents). In each case we want to know the harmonic content of the signal, that is, what frequencies it contains and in what proportions. To find this, expand each function in an appropriate Fourier series. Assume in each case that the part of the graph shown is repeated sixty times per second
Square wave

Q9P
In each case, show that a particle whose coordinate is (a) , (b) is undergoing simple harmonic motion, and find the amplitude, period, frequency, and velocity amplitude of the motion.
Q9P
Use Parseval’s Theorem and the results of the indicated problems to find the sum of the series in Problems 5to 9
The series , using Problem 5.11
Q9P
In each of the following problems you are given a function on the interval .Sketch several periods of the corresponding periodic function of period . Expand the periodic function in a sine-cosine Fourier series,
Q9P
Expand the same functions as in Problems 5.1 to 5.11 in Fourier series of complex exponentials on the interval and verify in each case that the answer is equivalent to the one found in Section 5.