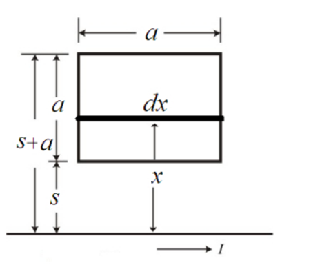
Let鈥檚 assume the small element dx on square loop and the distance between the small element and straight wire is x.

The area of the small strip of the square loop is given by,
The magnetic field in the lone wire is given by,
According to the Faraday鈥檚 law, the expression for the flux is given by,
Substitute for B and adx for dA into above equation.
According to the Faraday鈥檚 law the generated emf is given by,
Substitute forinto above equation.
The current in term of charge is given by,
鈥︹ (1)
The current in terms of resistance and voltage is given by,
鈥︹ (2)
Equate equation (1) and (2).
Substitute for into above equation.
The field of the square loop is out of the page therefore the current direction must be out of page. Hence the induced current flows counter clockwise.
Hence the charge passing through the given point in the loop is and direction of the induced current is counter clockwise.